Published:2011/10/31 4:02:00 Author:May | Keyword: Electronic biological wave, physiatrics instrument | From:SeekIC

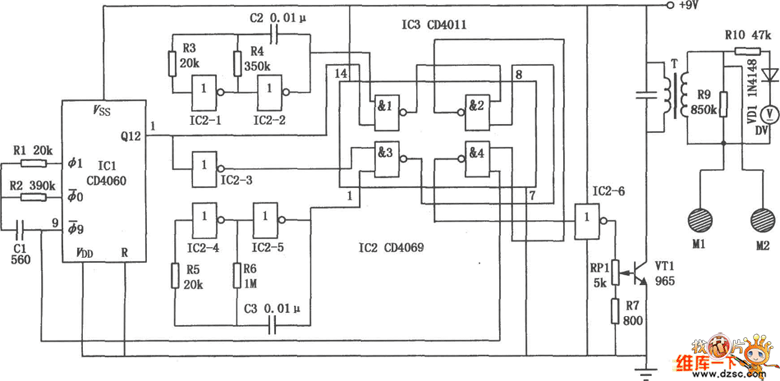
Electronic biological wave physical physiatrics instrument is shown in the following diagram, it can generate the compoundsignal with various frequency, and it canhelp patients absorb medications,and italso hasdirect effect on the human body acupuncture point for treatment.
Reprinted Url Of This Article:
http://www.seekic.com/circuit_diagram/Electrical_Equipment_Circuit/Medical/Electronic_biological_wave_physiatrics_instrument_circuit.html
Print this Page | Comments | Reading(3)
Code: