Published:2011/7/29 3:01:00 Author:Ecco | Keyword: Electronic, hypnotic device | From:SeekIC

This example describes a simple electronic hypnosis device circuit, it has less circuit components,and it iseasy to make.
The working principle.
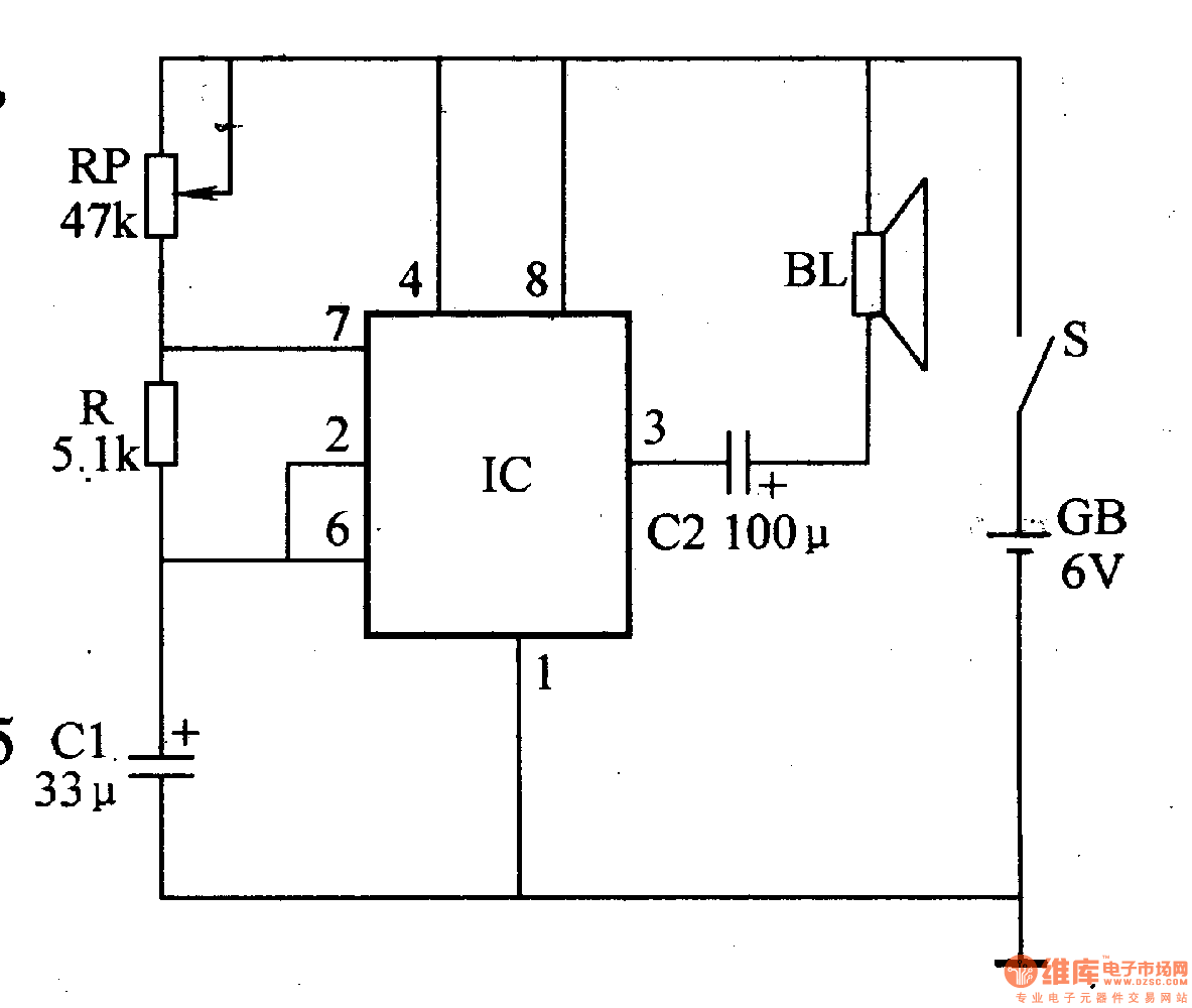
The electronic hypnosiscircuit is non-steady-state multi-harmonic oscillator circuit which is composed ofthe time base ICand relatedexternal components, it is shown in Figure 9-140.
After turning on power switch S, +6 V voltage is applied to 4 feet and 8 feet of IC to provide power supply for the IC. After multivibrator oscillation, the pin 3 of IC outputs low-frequency oscillation pulse signal, and it is combined by the capacitor C2 and added to the speaker BL, then it issues the simulated sound of dripping water. The voice has hypnotic effects for insomnia. Adjusting potentiometer RP can change capacitor Cl and the operating frequency of multivibrator. The selection of componentsR selects 1/4W carbon film resistor. RP uses small solid potentiometer or sealed variable resistor. Cl and C2 select the electrolytic capacitor with voltage in lOV. IC uses NE555 or μA555, LM555, 5G1555, FX555 and other models of time-base integrated circuits.
Reprinted Url Of This Article:
http://www.seekic.com/circuit_diagram/Electrical_Equipment_Circuit/Medical/Electronic_hypnotic_device_3.html
Print this Page | Comments | Reading(3)
Code: