Published:2011/7/29 2:43:00 Author:Ecco | Keyword: Electronic , hypnotic device | From:SeekIC

The electronic hypnotic device described in the example can generate simulated sound of dripping water and be used for the treatment for insomnia.
The working principle.
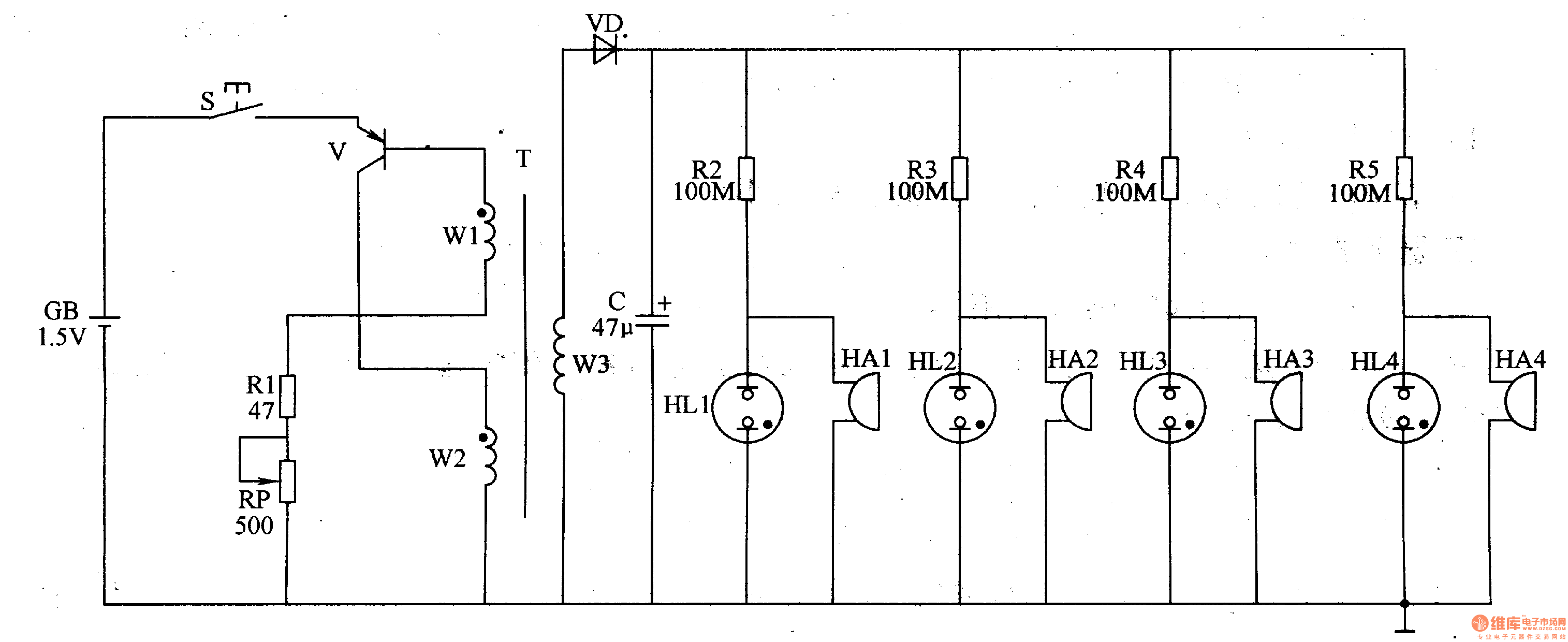
The electronic hypnotic deviceis composed of the oscillator circuit, boost charging circuit and the rain sound formation circuit, it is shown in Figure 9-141.
Oscillator circuitis composed of the battery GB, control button S, transistor V, potentiometer RP, resistor Rl and Wl, W2 windings of oscillation transformer T.
Boost charging circuitis composed of the W3 winding of T, rectifier diode VD and capacitor C.
The sound of raindrops forming circuit is composed of resistors R2-R5, neon lights HLl-H4 and buzzer HAl-HA4.
R1-R5 select 1/4W metal film resistors.
RP uses multi-turn wirewound potentiometers.
C usesaluminium electrolytic capacitor with the voltage in 400V, the leakage is aslowas possible.
VD selects lA, l0OOV rectifier diode.
V uses 3AX31 germanium PNP transistor.
HAl-HA4 use HTD-27A piezoelectric buzzer with help tune.
Reprinted Url Of This Article:
http://www.seekic.com/circuit_diagram/Electrical_Equipment_Circuit/Medical/Electronic_hypnotic_device_4.html
Print this Page | Comments | Reading(3)
Code: