Published:2011/4/14 2:12:00 Author:Ecco | Keyword: Electronic, hypnotic device | From:SeekIC



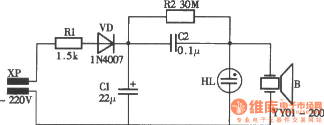
Electronic hypnotic device circuit 1
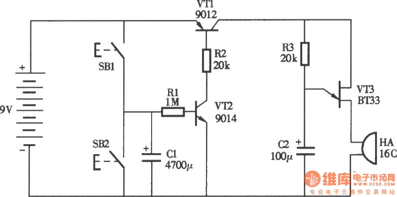
Electronic hypnotic device circuit 2
Electronic hypnotic device circuit 3
Reprinted Url Of This Article:
http://www.seekic.com/circuit_diagram/Electrical_Equipment_Circuit/Medical/Electronic_hypnotic_device_circuit.html
Print this Page | Comments | Reading(3)
Code: