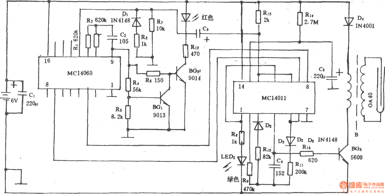
Published:2011/4/18 22:46:00 Author:Ecco | Keyword: Automatic, deodorant, preservation , device | From:SeekIC

Reprinted Url Of This Article:
http://www.seekic.com/circuit_diagram/Electrical_Equipment_Circuit/Medical/HH92_BCDA_Automatic_deodorant_preservation_device.html
Print this Page | Comments | Reading(3)
Code: