Published:2011/4/17 22:24:00 Author:Ecco | Keyword: Patient, pager , | From:SeekIC



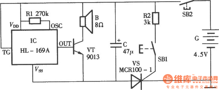
Patient pager circuit 1
Patient pager circuit 2
Patient pager circuit 3
Reprinted Url Of This Article:
http://www.seekic.com/circuit_diagram/Electrical_Equipment_Circuit/Medical/Patient_pager_circuit.html
Print this Page | Comments | Reading(3)
Code: