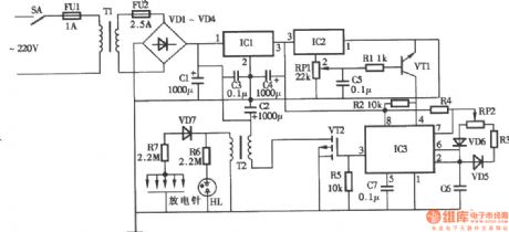
Published:2011/4/18 2:37:00 Author:Ecco | Keyword: negative, oxygen ion , generator | From:SeekIC

Reprinted Url Of This Article:
http://www.seekic.com/circuit_diagram/Electrical_Equipment_Circuit/Medical/The_negative_oxygen_ion_generator.html
Print this Page | Comments | Reading(3)
Code: