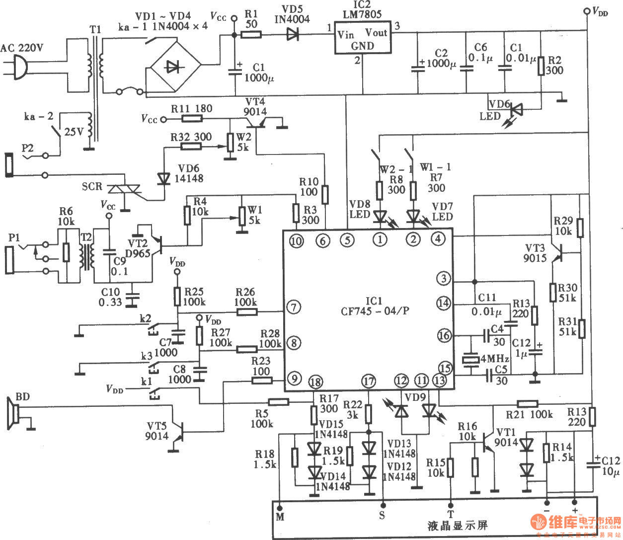
Published:2011/4/14 2:04:00 Author:Ecco | Keyword: promoting blood circulation, multi-function , instrument circuit | From:SeekIC

Reprinted Url Of This Article:
http://www.seekic.com/circuit_diagram/Electrical_Equipment_Circuit/Medical/The_promoting_blood_circulation_multi_function_instrument_circuit.html
Print this Page | Comments | Reading(3)
Code: