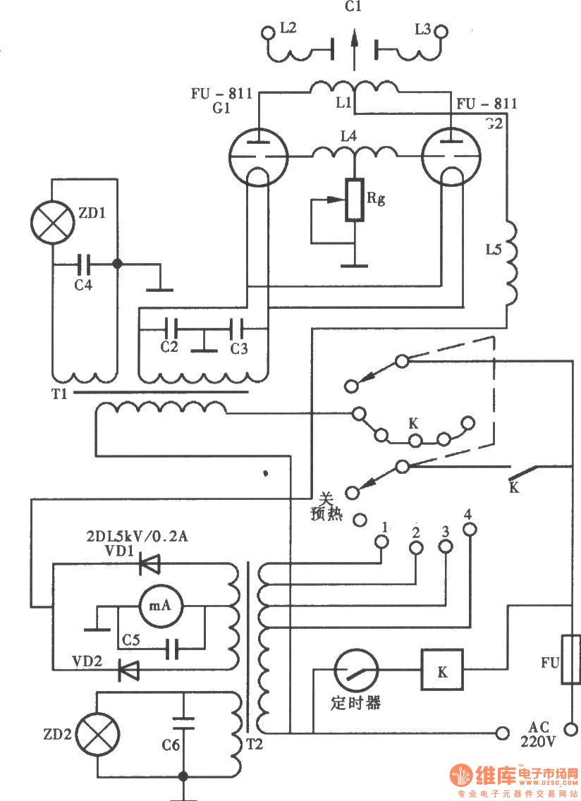
Published:2011/4/14 1:54:00 Author:Ecco | Keyword: USW-B, ultrashort wave , electrizer circuit | From:SeekIC

Reprinted Url Of This Article:
http://www.seekic.com/circuit_diagram/Electrical_Equipment_Circuit/Medical/USW_B_ultrashort_wave_electrizer_circuit.html
Print this Page | Comments | Reading(3)
Code: