Published:2009/7/21 22:44:00 Author:Jessie | From:SeekIC

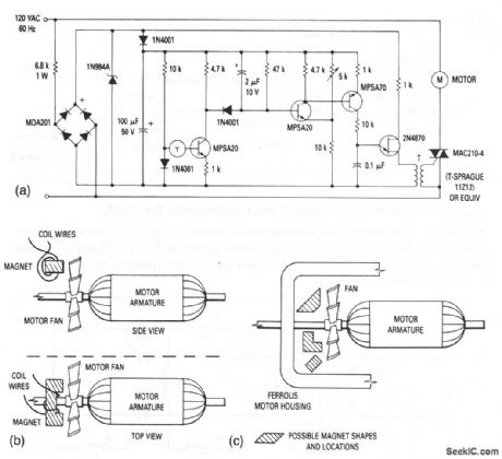
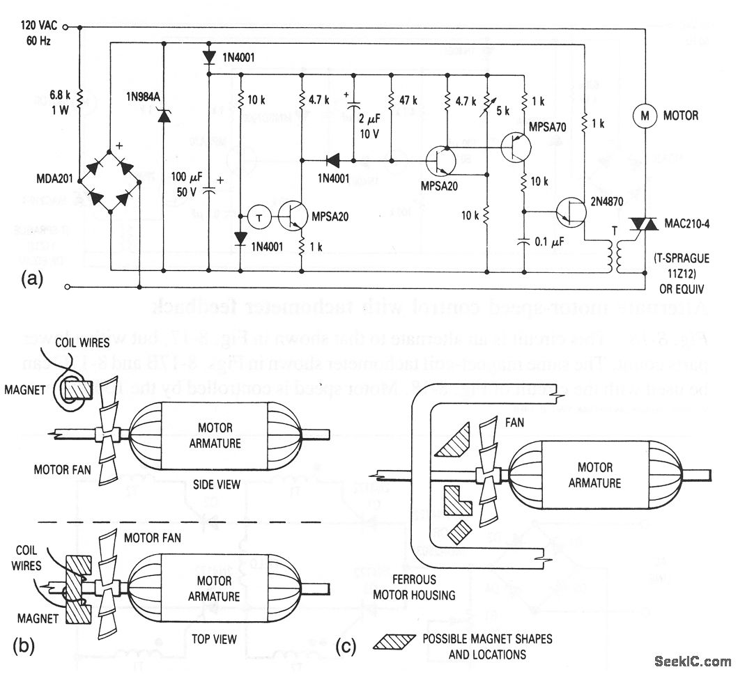
This circuit shows a triac motor-speed control that derives feedback from a magnet-coil tachometer that is placed near the motor fan (Figs. 8-17B and 8-17C). Motor speed is controlled by the 5-kΩ pot. The MAC210-4 triac is capable of handling motor loads up to 10 A.
Reprinted Url Of This Article:
http://www.seekic.com/circuit_diagram/Electrical_Equipment_Circuit/Motor_speed_control_with_tachometer_feedback.html
Print this Page | Comments | Reading(3)
Code: