Published:2009/7/21 1:50:00 Author:Jessie | From:SeekIC

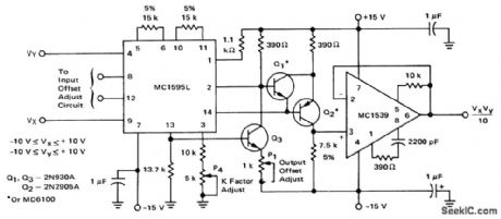
Multiplier with discrete level shift (courtesy Motorola Semiconductor Products Inc.).
Reprinted Url Of This Article:
http://www.seekic.com/circuit_diagram/Electrical_Equipment_Circuit/Multiplier_with_discrete_level_shift.html
Print this Page | Comments | Reading(3)
Code: