Published:2009/7/23 23:24:00 Author:Jessie | From:SeekIC

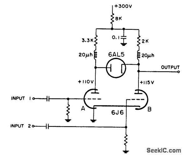
Plates ore coupled by diode that is nonconducting because plate is at lower potential than cathode. If input pulses are not coincident, negative pulse of sufficient amplitude at either input will appear at output. If inputs are coincident, positive pulse appearing at plate of section A will not appear at output unless of sufficient amplitude to overcome bias established by positive output from section B. Radar video must be applied to input 2, since output of section A must overcome 5-v diode bias,-NBS, Handbook Preferred Circuits Navy Aeronautical Electronic Equipment, Vol. 1, Electron Tube Circuits, 1963, p N4-4.
Reprinted Url Of This Article:
http://www.seekic.com/circuit_diagram/Electrical_Equipment_Circuit/NONADDITIVE_COMMON_PLATE_MIXER.html
Print this Page | Comments | Reading(3)
Code: