Published:2009/6/24 21:43:00 Author:Jessie | From:SeekIC

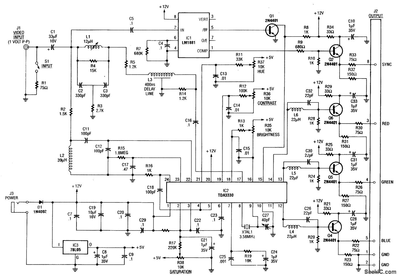
This circuit takes baseband NTSC video, decodes it, and derives RGB video suitable for driving a color multisync computer monitor. This enables the user to take advantage of the generally better resolution of computer monitors.
Reprinted Url Of This Article:
http://www.seekic.com/circuit_diagram/Electrical_Equipment_Circuit/NTSC_TO_RGB_CONVERTER.html
Print this Page | Comments | Reading(3)
Code: