Published:2009/7/19 23:53:00 Author:Jessie | From:SeekIC

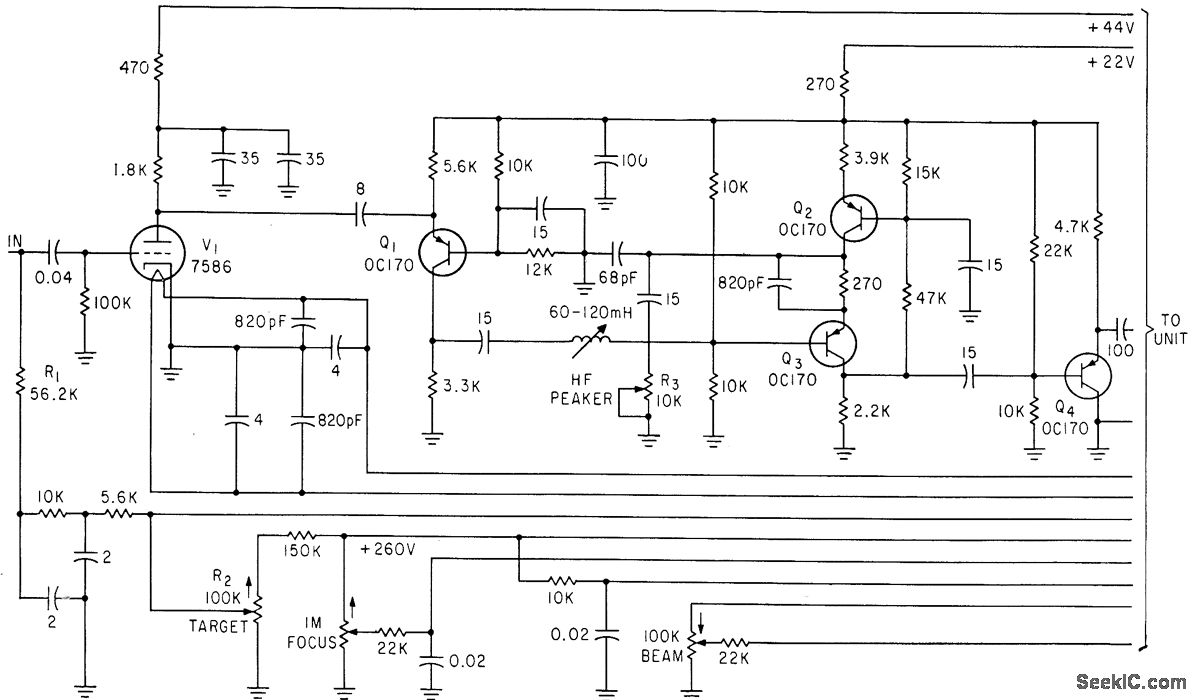
Noise figure is 3 db and video bandwidth about 6 Mc. Used with uvicon camera tube for ultraviolent telescopeļ¼-R. N. Riggs, Ultraviolet Space Telescope Will Scan the Stars, Electronics, 35:46, p 37-43.
Reprinted Url Of This Article:
http://www.seekic.com/circuit_diagram/Electrical_Equipment_Circuit/NUVISTOR_TRANSISTOR_CASCODED_TV_CAMERA_PREAMP.html
Print this Page | Comments | Reading(3)
Code: