Published:2009/7/6 7:32:00 Author:May | From:SeekIC

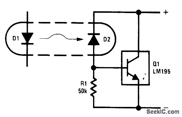
Practically any standard optoisolator provides sufficient output to meet input current requirement of power transistor IC capable of handling 1 A. With no drive, R1 absorbs base current of at, holding it off. When power is applied to LED D1, less than 20μA from photo-diode D2 is sufficient to turn LM195 fully on. Supply can be up to 42 V.- Linear Applications, Vol. 2, National Semiconductor, Santa Clara, CA, 1976, AN-110, p 5.
Reprinted Url Of This Article:
http://www.seekic.com/circuit_diagram/Electrical_Equipment_Circuit/OPTOISOLATOR_DRIVES_1_A_POWER_TRANSIS_TOR_IC.html
Print this Page | Comments | Reading(3)
Code: