Published:2009/6/25 21:31:00 Author:Jessie | From:SeekIC

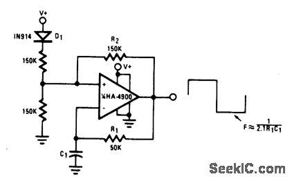
This self-starting fixed frequency oscillator circuit gives excellent frequency stability. R1 and C1 comprise the frequency determining network while R2 provides the regenerative feedback. Diode D1 enhances the stability by compensating for the difference between VOH and VSupply. In applications where a precision clock generator up to 100 kHz is required, such as in automatic test equipment, C1 may be replaced by a crystal.
Reprinted Url Of This Article:
http://www.seekic.com/circuit_diagram/Electrical_Equipment_Circuit/OSCILLATOR_CLOCK_GENERATOR_.html
Print this Page | Comments | Reading(3)
Code: