Published:2011/5/8 6:45:00 Author:Robert | Keyword: Bicyle, Bell | From:SeekIC

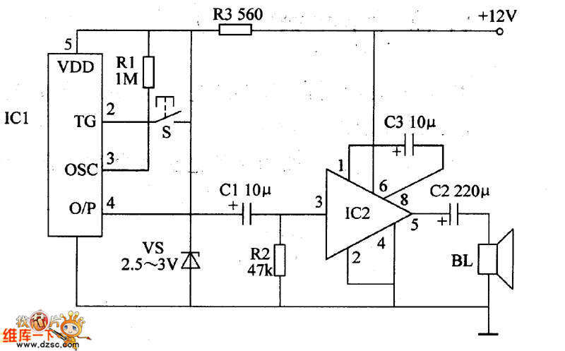
The bicycle bell introduced in this example can give the sound of polite expressions: Please make way, thank you after pressing the control button. It can be used in bicyle or electric bicyle. The circuit's working principle is shown below. This bicyle bell circuit is made up be the voice circuit and audio amplification output circuit which is shown in the picture.The voice circuit is made up by the voltage integrated circuit IC1, resistance R1, saturation zener diode VS.The audio power amplification circuit is made up by capacitors C1~C3, resistance R2, audio power amplification integrated circuit IC2 and speaker BL.The +12V voltage from the battery not only supply the IC2 with its working voltage, but also supply IC1 with 3V DC working voltage through R2's current limiting and VS's voltage regulation.Pressing the control button to trigger the IC1 to work and its O/P port would output voice electrical signal. After the power amplification in IC2 this electrical signal would drive BL to give the voice sound Please make way, thank you .
IC1 uses the voice integrated circuit with saving the voice information of Please make way, thank you , such as HL-169A type etc. IC2 uses LM386 audio power amplification integrated circuit.
Reprinted Url Of This Article:
http://www.seekic.com/circuit_diagram/Electrical_Equipment_Circuit/Other_circuit/Bicyle_Bell_Circuit_2.html
Print this Page | Comments | Reading(3)
Code: