Published:2011/5/17 8:25:00 Author:Robert | Keyword: Constant Current | From:SeekIC

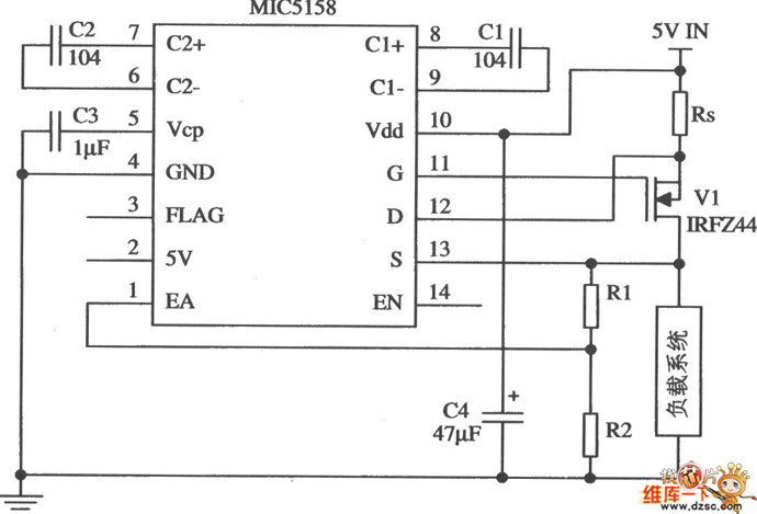
The Constant Current Circuit Composed Of MIC5158 is shown below.
Reprinted Url Of This Article:
http://www.seekic.com/circuit_diagram/Electrical_Equipment_Circuit/Other_circuit/Constant_Current_Circuit_Composed_Of_MIC5158.html
Print this Page | Comments | Reading(3)
Code: