Published:2011/8/23 23:41:00 Author:Robert | Keyword: Dual, Tuning, Frequency, Detector | From:SeekIC

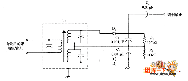
A classic FM frequency detector circuit is shown in the picture. The circuit uses a special transformer which has two secondary windings. The two secondary windings are separately connected to the two sides of the IF frequency which have the same distance to IF frequency and are not fay from the IF frequency. The two frequency's distance should be a little bigger than the transmitter's amplitude. The output would combine through a couple differencial signal diodes (D1 and D2). The diodes' output ports are connected to the load resistor R1 and R2. Generally, when the signal has not been modulated, the algebraic sum of the two diodes' output is zero. That would make the output be zero.
Reprinted Url Of This Article:
http://www.seekic.com/circuit_diagram/Electrical_Equipment_Circuit/Other_circuit/Dual_Tuning_Frequency_Detector_Circuit.html
Print this Page | Comments | Reading(3)
Code: