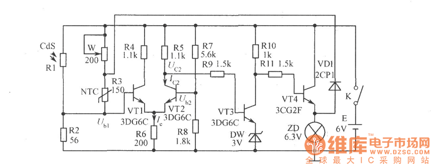
Published:2011/7/11 6:20:00 Author:Robert | Keyword: Electronic, Candle | From:SeekIC

Reprinted Url Of This Article:
http://www.seekic.com/circuit_diagram/Electrical_Equipment_Circuit/Other_circuit/Electronic_Candle_Circuit.html
Print this Page | Comments | Reading(3)
Code: