Published:2011/8/5 9:41:00 Author:Robert | Keyword: Electronic, ERNIE | From:SeekIC

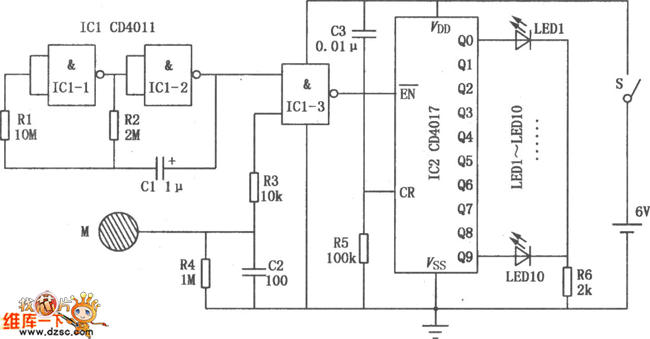
The picture shows the electronic ERNIE device's specific circuit. The IC1 is CD4011 with two input ports and four NAND gates. And the NAND gate IC1-1, IC1-2 make up the clock pulse generator, The NAND gate IC1-3 make up the counter gate circuit. Its one input port is connected with the clock pulses generator's output port and the other input port is connected to the touching metal sheet M through the resistor R3. The IC2 is decimal counter/divider CD4017. Its output ports Q0~Q9 have been added ten LED which are LED1~LED10. They are standing for 0~9 ten numbers separately. The capacitor C2 and the resistor R5 make up a electrifying automatical clearing and reset circuit. When the people's hand has not touched the metal sheet, the NAND gate IC1-3's lower input port is low voltage level, which make the counter gate closed and the IC2 would not count.
Reprinted Url Of This Article:
http://www.seekic.com/circuit_diagram/Electrical_Equipment_Circuit/Other_circuit/Electronic_ERNIE_Device_Circuit.html
Print this Page | Comments | Reading(3)
Code: