Published:2011/7/1 4:10:00 Author:Robert | Keyword: IC, Typical, Application | From:SeekIC

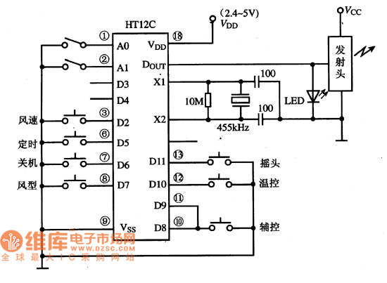
The HT12C is a fan single-chip remote-control coding IC which is widely used in the remote-control systems in many kinds of fans.
The remote-control coding typical application circuit composed of the HT12C IC is shown in the picture.
The picture shows the HT12C IC's typical application circuit.
Reprinted Url Of This Article:
http://www.seekic.com/circuit_diagram/Electrical_Equipment_Circuit/Other_circuit/HT12C_IC_Typical_Application_Circuit.html
Print this Page | Comments | Reading(3)
Code: