Published:2011/7/1 8:44:00 Author:Robert | Keyword: IC, Typical, Application | From:SeekIC

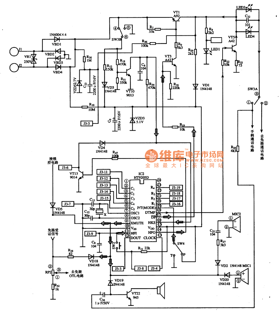
The HT92050 is communication single-chip micro-computer IC which is used in many kinds of caller ID telephones.
The dialing control system typical application circuit composed of HT92050 IC is shown in the picture.
The picture shows the HT92050 IC's typical application circuit.
Reprinted Url Of This Article:
http://www.seekic.com/circuit_diagram/Electrical_Equipment_Circuit/Other_circuit/HT92050_IC_Typical_Application_Circuit.html
Print this Page | Comments | Reading(3)
Code: