Published:2011/6/27 9:08:00 Author:Robert | Keyword: IC, Typical, Application | From:SeekIC

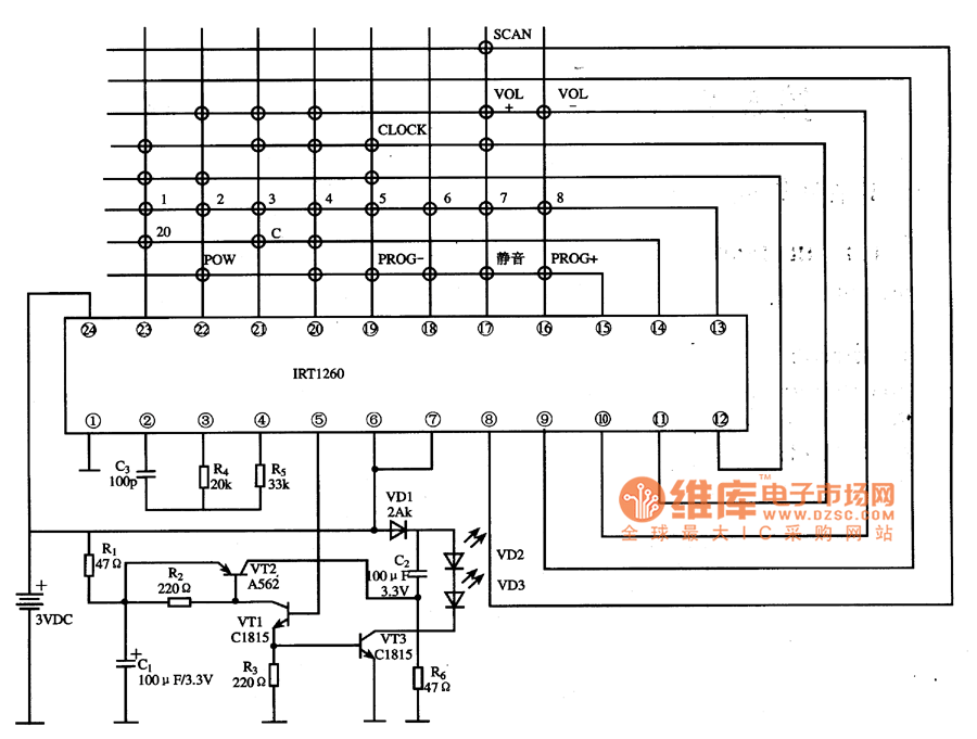
The IKT1260 is a single-chip remote-control transmitter IC which is widely used in many kinds of remote-control systems such as TV sets, audio equipments, players, air conditioners and so on.
The infrared remote-control transmitter typical application circuit composed of IRT1260 is shown in the picture.
The picture shows the IRT1260 IC's typical application circuit.
Reprinted Url Of This Article:
http://www.seekic.com/circuit_diagram/Electrical_Equipment_Circuit/Other_circuit/IRT1260_IC_Typical_Application_Circuit.html
Print this Page | Comments | Reading(3)
Code: