Published:2011/5/12 9:37:00 Author:Robert | Keyword: Infrared Detecting, Voice, Alarm | From:SeekIC

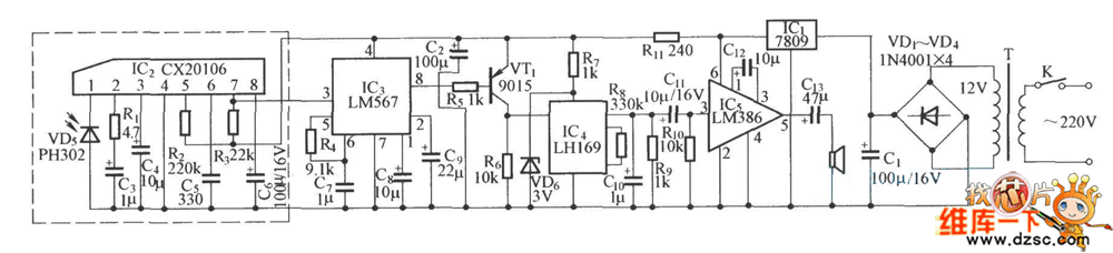
The Infrared Detecting Voice Alarm Device Circuit is shown below.
Reprinted Url Of This Article:
http://www.seekic.com/circuit_diagram/Electrical_Equipment_Circuit/Other_circuit/Infrared_Detecting_Voice_Alarm_Device_Circuit.html
Print this Page | Comments | Reading(3)
Code: