Published:2011/6/15 7:12:00 Author:Robert | Keyword: IC, Typical, Application | From:SeekIC

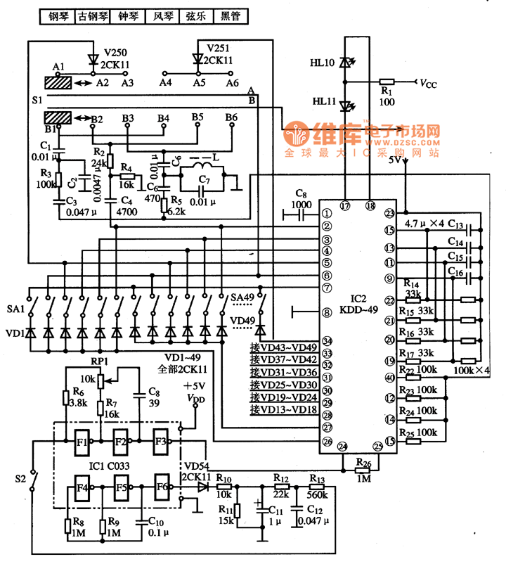
The KDD49 is a melody playing IC which is widely used in many brands of electronic musical instruments such as electronic organ.
The KDD49 IC's internal part is made up by oscillator frequency control circuit, switching matrix circuit, envelop control circuit, music signal processing circuit, displaying driver control circuit and some other secondary function circuits.
The melody playing typical application circuit composed of KDD49 IC is shown in the picture.
The picture shows the KDD49 IC's typical application circuit.
Reprinted Url Of This Article:
http://www.seekic.com/circuit_diagram/Electrical_Equipment_Circuit/Other_circuit/KDD49_IC_Typical_Application_Circuit.html
Print this Page | Comments | Reading(3)
Code: