Published:2011/8/11 6:41:00 Author:Robert | Keyword: Application | From:SeekIC

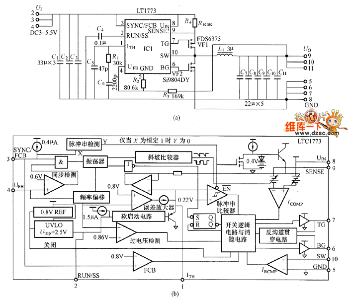
The LT1773 application circuit is shown in the picture.
Reprinted Url Of This Article:
http://www.seekic.com/circuit_diagram/Electrical_Equipment_Circuit/Other_circuit/LT1773_Application_Circuit.html
Print this Page | Comments | Reading(3)
Code: