Published:2011/7/13 7:58:00 Author:Robert | Keyword: Multimeter | From:SeekIC

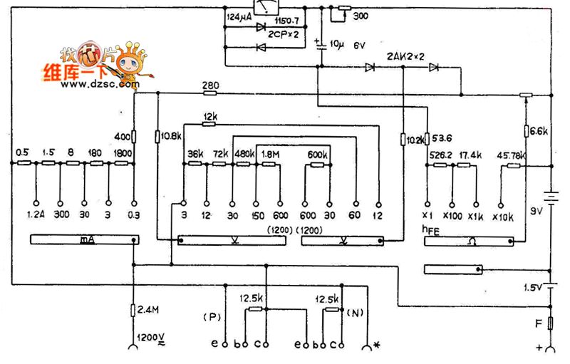
The MF93 multimeter circuit.
Reprinted Url Of This Article:
http://www.seekic.com/circuit_diagram/Electrical_Equipment_Circuit/Other_circuit/MF93_Multimeter_Circuit.html
Print this Page | Comments | Reading(3)
Code: