Published:2011/8/14 6:42:00 Author:Robert | Keyword: Simple, Transistor, Regulator, Power | From:SeekIC

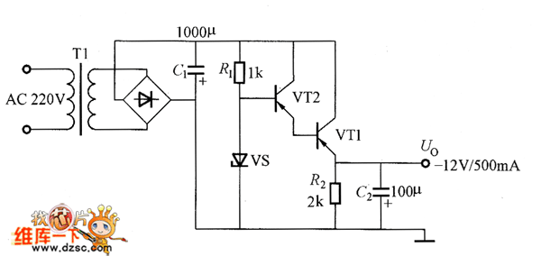
The picture shows the simple transistor regulator power circuit with output voltage of -12V and output current of 500mA. The adjustable tube VT1 and VT2 use the Darlington connecting method to improve the adjustment sensitivity. The C2's function is to further reduce the probable ripple. This circuit's output voltage is closing to the zener diode VS's reverse breakdown voltage, so it can't be adjusted. It is suitable for the cases which need large current and not very high stability.
Reprinted Url Of This Article:
http://www.seekic.com/circuit_diagram/Electrical_Equipment_Circuit/Other_circuit/Simple_Transistor_Regulator_Power_Circuit.html
Print this Page | Comments | Reading(3)
Code: