Published:2011/7/5 8:37:00 Author:Felicity | Keyword: Static Elimination (the 1st) | From:SeekIC

Work of the circuit
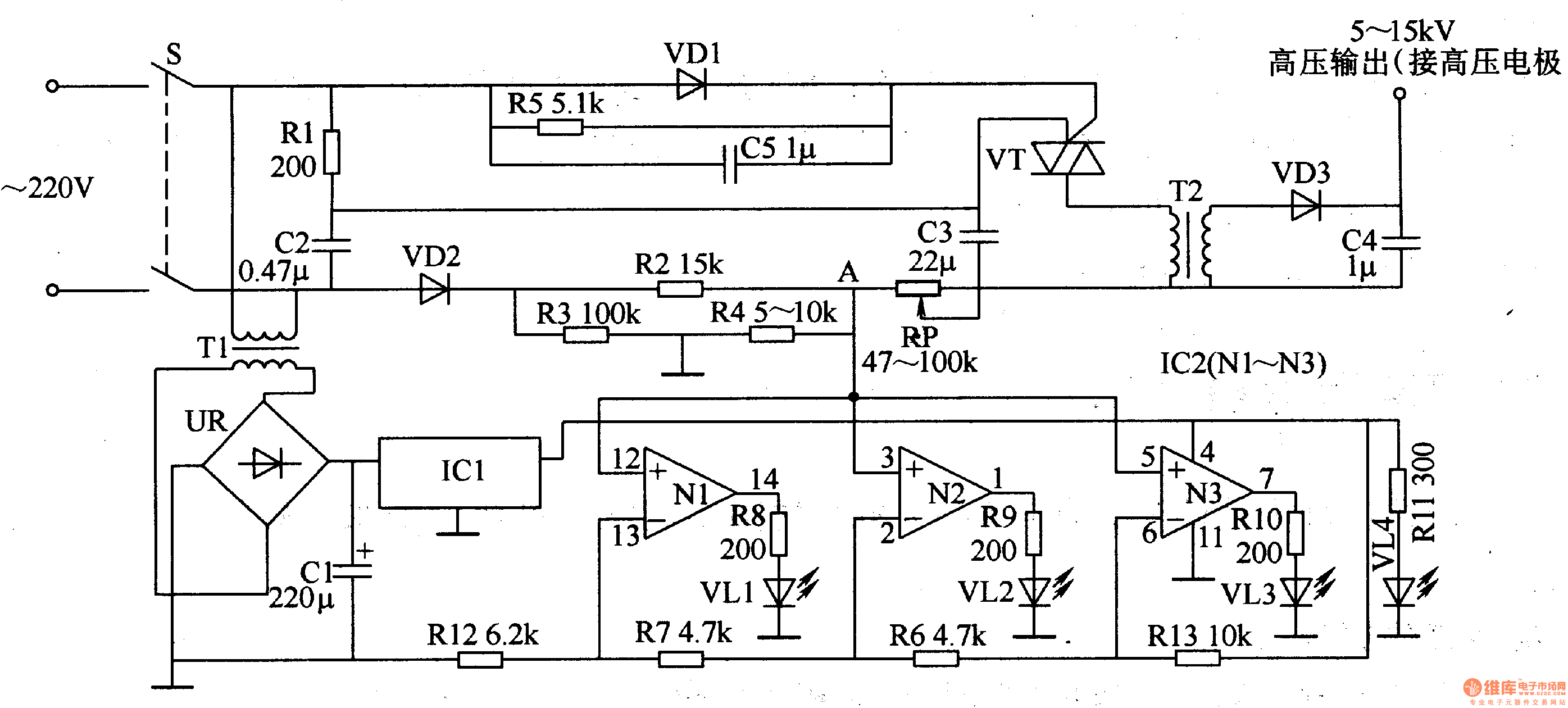
The circuit consists of l2V power supply circuit, the output pulse voltage step-up circuit and LED indicator circuit. (It is showed in the picture 8-117.)
l2V power supply circuit consists of power transformer Tl, bridge rectifier, UR, filter capacitors Cl and three-terminal voltage regulator integrated circuit ICl.
The output pulse voltage step-up circuit consists of resistors Rl-R5, capacitors C2-C5, thyristor VT, potentiometer RP, diode VDl-VD3 and step-up transformer.
LED indicator circuit consists of resistors R6-R13, light emitting diodes VLl-VL4 and operational amplifier integrated circuit IC2 (Nl-N3).
Reprinted Url Of This Article:
http://www.seekic.com/circuit_diagram/Electrical_Equipment_Circuit/Other_circuit/Static_Elimination_(the_1st).html
Print this Page | Comments | Reading(3)
Code: