Published:2011/8/13 6:10:00 Author:Robert | Keyword: Synchronous, Rectifier, Buck, Chopper | From:SeekIC

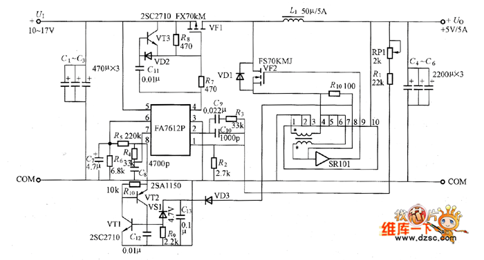
The circuit, which uses the synchronous rectifier buck chopper and has the output of 5V/5A, is shown in the picture. In the circuit, VF2 is the MOSFET used for synchronous rectifier. The SR101 is synchronous driving module. If connecting the diode VD1's positive electrode to the ground it would make up the traditional buck chopper circuit.
The picture shows the synchronous rectifier buck chopper circuit.
Reprinted Url Of This Article:
http://www.seekic.com/circuit_diagram/Electrical_Equipment_Circuit/Other_circuit/Synchronous_Rectifier_Buck_Chopper_Circuit.html
Print this Page | Comments | Reading(3)
Code: