Published:2011/7/3 1:18:00 Author:Robert | Keyword: Ringing, Integrated | From:SeekIC


The T5875 is a ringing IC which is widely used in the ringing circuits in many kinds of communication equipments.
1. Its pin's functions.
T5875 IC uses 8-pin dual inline package and its pin's functions is listed in table 1.
The table 1 shows the T5875 IC's pin's functions.
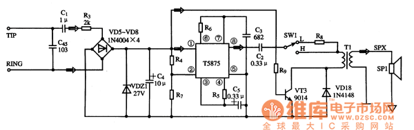
2.Typical application circuit.
The ringing circuit typical application circuit composed of the T5875 IC is shown in picture 1.
The picture shows the T5875 IC's typical application circuit.
Reprinted Url Of This Article:
http://www.seekic.com/circuit_diagram/Electrical_Equipment_Circuit/Other_circuit/T5875_Ringing_Integrated_Circuit.html
Print this Page | Comments | Reading(3)
Code: