Published:2011/8/11 23:23:00 Author:Robert | Keyword: Basic, Application | From:SeekIC

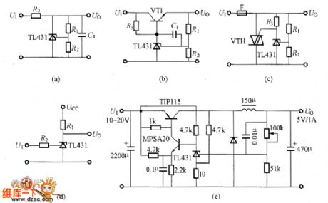
The TL431 basic application circuit is shown in the picture.
(a)Parallel voltage regulator circuit. (b)Series voltage regulator circuit. (c)Over-voltage protection circuit by using VTH. (d)Convertor with wide temperature compensationvalue. (e)Voltage regulator power with output 5V/1A.
Reprinted Url Of This Article:
http://www.seekic.com/circuit_diagram/Electrical_Equipment_Circuit/Other_circuit/TL431_Basic_Application_Circuit.html
Print this Page | Comments | Reading(3)
Code: