Published:2011/6/26 21:59:00 Author:Borg | Keyword: time delay alarm | From:SeekIC

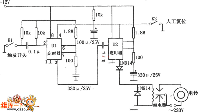
In the figure is the time delay alarm circuit. The alarm consists of 2 NE555 timers, a relay, a ring and a switch circuit, etc. When the switch K1 is closed, the first NE555 alarm is going to making sounds in 20s or so, which controls the working of the 2nd NE555. The second NE555 makes sounds for about 60s. The time delay of about 20s is for the following purposes: first, letting the thief think he is safe, so people can seize him in the basement; second, letting the owner have enough time to reset the switch.
Reprinted Url Of This Article:
http://www.seekic.com/circuit_diagram/Electrical_Equipment_Circuit/Other_circuit/The_time_delay_alarm_circuit.html
Print this Page | Comments | Reading(3)
Code: