Published:2011/5/16 20:02:00 Author:Robert | Keyword: Triode Transistor, Internal | From:SeekIC

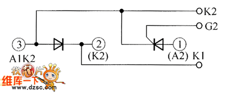
The Triode Transistor PE110F120 Internal Circuit is shown in the picture below.
Reprinted Url Of This Article:
http://www.seekic.com/circuit_diagram/Electrical_Equipment_Circuit/Other_circuit/Triode_Transistor_PE110F120_Internal_Circuit.html
Print this Page | Comments | Reading(3)
Code: