Published:2011/5/12 9:48:00 Author:Robert | Keyword: Wheat, Seeder, Particles, Clogging, Alarm | From:SeekIC

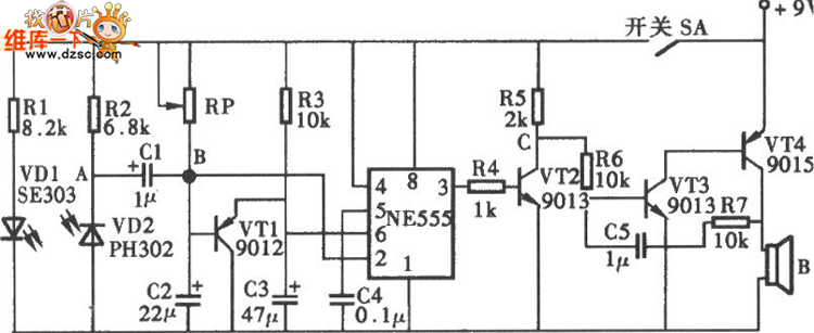
The wheat seeder particles clogging alarm circuit is shown below.
Reprinted Url Of This Article:
http://www.seekic.com/circuit_diagram/Electrical_Equipment_Circuit/Other_circuit/Wheat_Seeder_Particles_Clogging_Alarm_Circuit.html
Print this Page | Comments | Reading(3)
Code: