Published:2011/7/20 0:30:00 Author:chopper | Keyword: irrigation motor, automatic protector | From:SeekIC

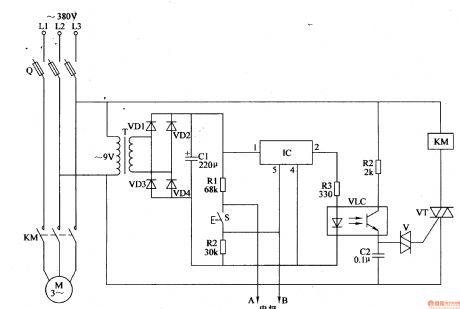
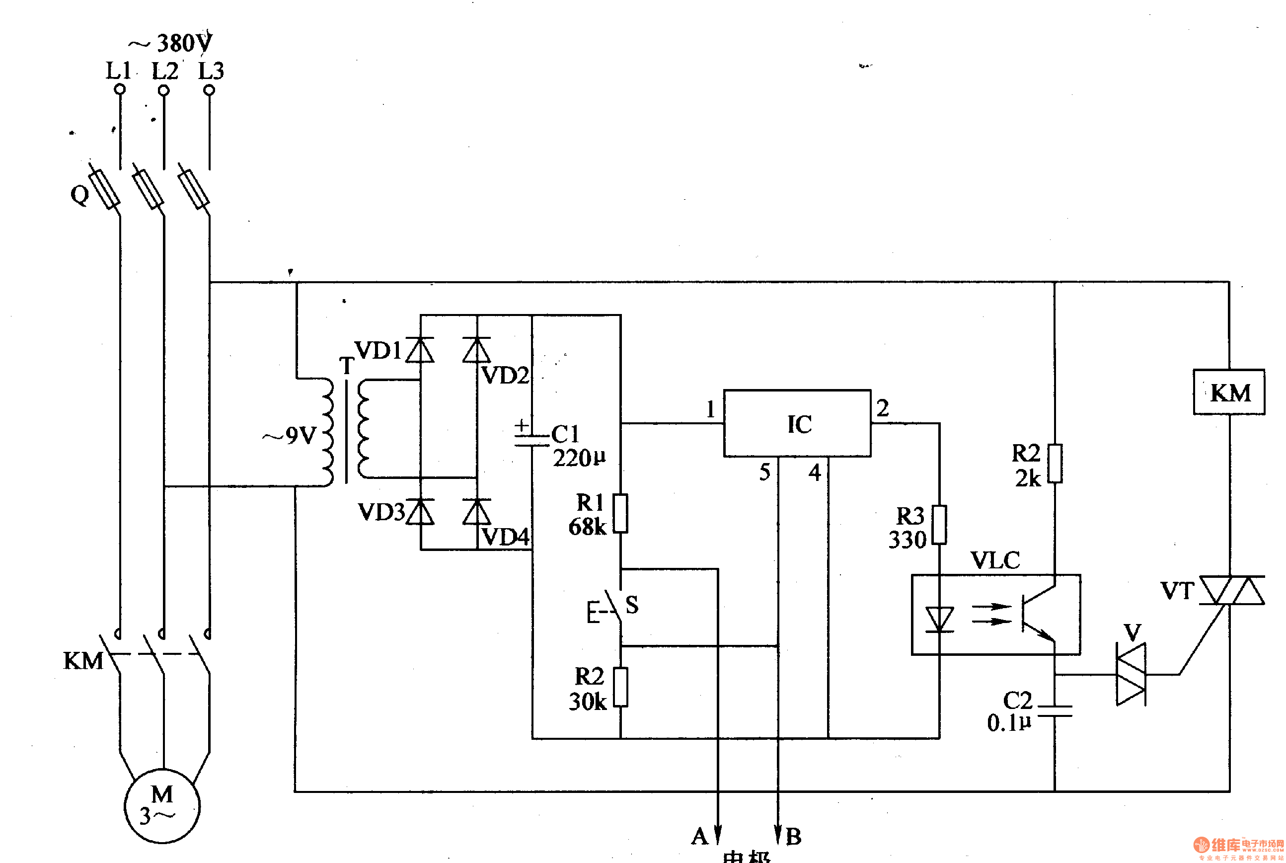
The principle of circuitThe irrigation motor automatic protector circuit is formed by the power supply circuit and the detection/protection control circuit, which is shown in Figure 4-96. Power supply circuit is formed by the power transformer T, rectifier diodes VD1-VD4 and filter capacitor C1. Detection/protection control circuit is formed by the detection electrodes A,B,start button S,resistors R1-R4, capacitor C2, optical coupler VLC, bi-directional trigger diode V, thyristor VT, electronic switch integrated circuit IC and AC contactor KM.
Reprinted Url Of This Article:
http://www.seekic.com/circuit_diagram/Electrical_Equipment_Circuit/Other_circuit/irrigation_motor_automatic_protector_1.html
Print this Page | Comments | Reading(3)
Code: