Published:2012/10/10 1:46:00 Author:muriel | Keyword: PC, FM Radio | From:SeekIC

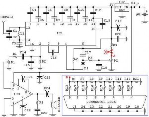
This is a fm radio receiver circuit which can be used with PC.PC radio REGULATIONSA) With the P1 we regulate the intensity of sound.B) With the P2 we regulate the frequency of reception.C) Optionally: If you want to check the frequency with your PC it will be supposed you make the following energies:- You assemble and the circuit that is in the blue frame.- You cut the driver dj’pla in point A, as it appears in the circuit and you connect points A,V.- If you know some language of programming as C ++, PASCAL, VISUAL BASIC, DELPHI etc you can write a program which will send in the parallel door (378 I) of PC a number from 0 until 255 checking thus the tendency of expense of simple D/A of converter (that it is in blue frame) and consequently and frequency of radio via passage VARICAP.(As long as grows the number that sends in the parallel door, so much minimizes the frequency that receives the radio.)Download DOS control program – radio fm pc dosPC FM receiver materials and circuit componentsThe resistances are 1/4W.R1 47KR2 22KR3 100KR4 39KR5 10R6-r12 7,5K – OptionallyR13-r21 15K – OptionallyP1 10K Logarithmic potentiometerP2 100K Linear potentiometerC1 39pF CeramicC2 47pF CeramicC3 2,2nF PolyesterC4, c14 220nF PolyesterC5 22nF PolyesterC6 10nF PolyesterC7, c18 180pF CeramicC8 150pF CeramicC9 100nF PolyesterC10, c13 330pF CeramicC11 220pF CeramicC12, c16 3300pF CeramicC15, c17 1800pF CeramicC19, c21, c22 10mF/16V electrolyticC20 10nF PolyesterC23 47nF PolyesterC24, c25 470mF/16V electrolytic capacitorL1, l2 5 Coils linked with internal diameter 4mm from cupreous isolated wire 0,6mm.IC1 TDA7000 with base DIL18IC2 LM7805IC3 LM386 with base DIL 8D1 BB329 or BB105 or other than old tuner televisions.SPEAKER Loudspeaker 8W/1W.S1 Switch of catering.AERIAL 50cm isolated wireCONNECTOR DB25 Fastener of 25 pin parallel door PC (LPT) -Optional
PC FM Radio circuit diagram
Reprinted Url Of This Article:
http://www.seekic.com/circuit_diagram/Electrical_Equipment_Circuit/PC_FM_Radio_circuit.html
Print this Page | Comments | Reading(3)
Code: