Published:2009/7/24 3:47:00 Author:Jessie | From:SeekIC

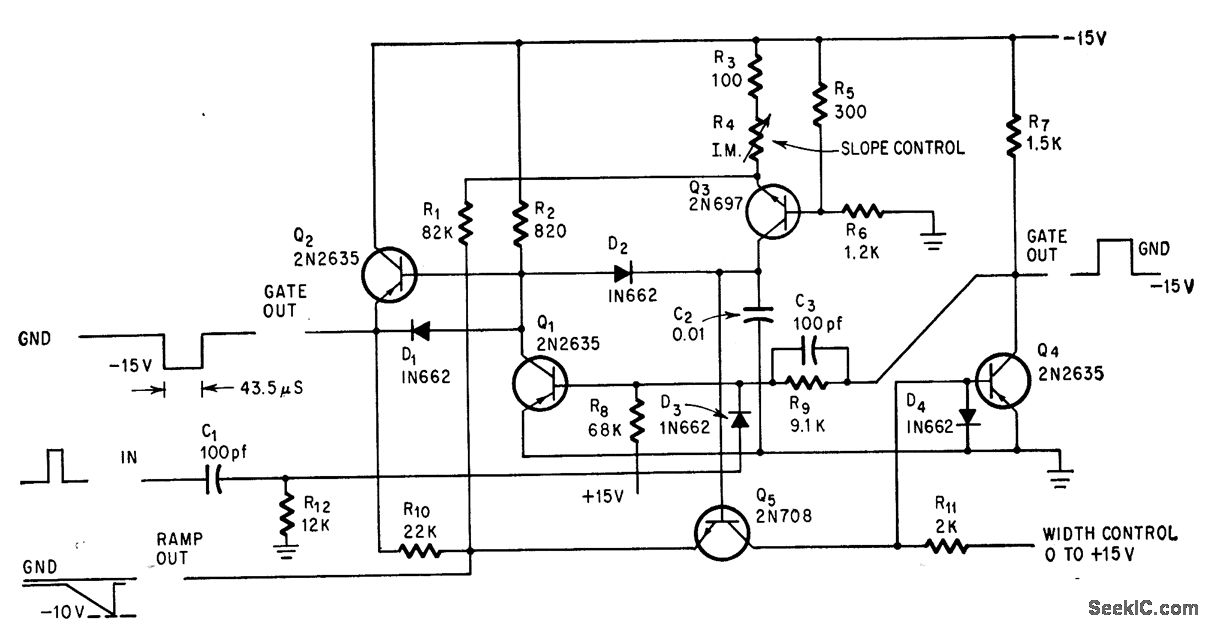
Transistorized version phantastron eliminates voltage pedestal by connecting C2 directly to ground. Slope is independent of gain of Q4 and is varied by R4 ove, range of 100 to 1. Duty cycle can be up to 98%. R4 is 1,000 ohms and width control voltage is 0.4 V for ramp output shown.-G. Marosi, Novel Sweep Circuit Eliminates Romp Pedestal, Electronics, 38:26, p 68.
Reprinted Url Of This Article:
http://www.seekic.com/circuit_diagram/Electrical_Equipment_Circuit/PHANTASTRAN.html
Print this Page | Comments | Reading(3)
Code: