Published:2009/6/25 1:57:00 Author:Jessie | From:SeekIC

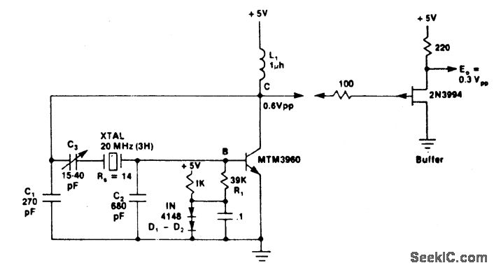
Circuit NotesThis circuit has excellent short term frequency stability because the external load tied across the crystal is mostly capacitive rather than resistive, giving the crystal a high in-circuit Q.
Reprinted Url Of This Article:
http://www.seekic.com/circuit_diagram/Electrical_Equipment_Circuit/PIERCE_HARMONIC_OSCILLATOR20_MHz.html
Print this Page | Comments | Reading(3)
Code: