Published:2009/7/22 1:09:00 Author:Jessie | From:SeekIC

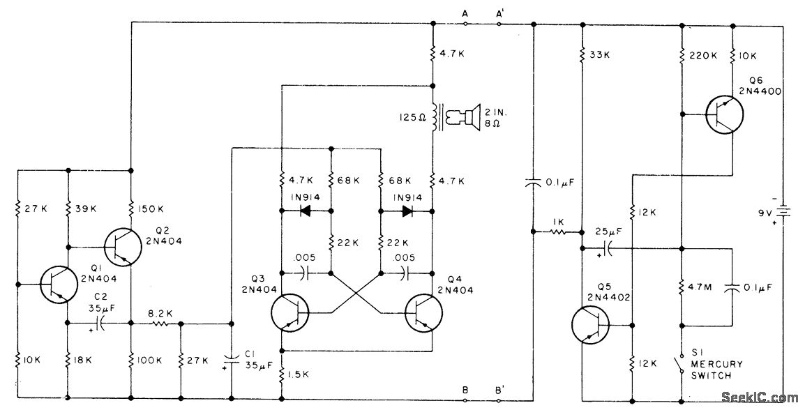
Can be assembled in small box as toy for small child. If mercury switch is used for S1, siren comes on automatically when box is picked up. MVBR Q1-Q2 controls rate at which siren wails, while Q3 and Q4 form AF MVBR that produces actual siren sound with frequency varied by triangle waveform on C1. MVBR Q5-Q6 is mono that conducts for preset time period when S1 is dosed, for applying power to siren. Values shown give 12 s of operation before siren is shut off. When carried by child, siren is jostled enough so it keeps recycling.-J. H. Everhart, Super Siren, 73 Magazine, Feb. 1978, p 96-97.
Reprinted Url Of This Article:
http://www.seekic.com/circuit_diagram/Electrical_Equipment_Circuit/PORTABLE_TOY_SIREN.html
Print this Page | Comments | Reading(3)
Code: