Published:2009/7/21 22:03:00 Author:Jessie | From:SeekIC

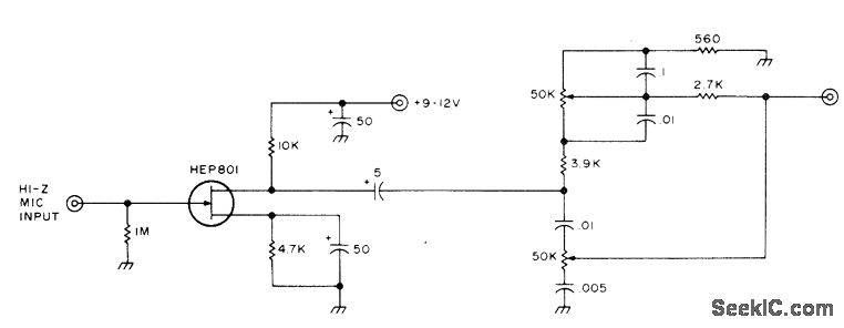
Improves effective signal strength of SSB transmitter by shaping AF frequency response ahead of audio compressor. Low-noise FET preamp providing initial gain for high-impedance microphone is followed by low- and high-rolloff circuit giving 15-dB boost or roll off to frequencies centered at about 1 kHz.-J. J. Schultz, Adding dBs to the Audio Compressor, 73 Magazine, May 1974, p 21-23 and 25.
Reprinted Url Of This Article:
http://www.seekic.com/circuit_diagram/Electrical_Equipment_Circuit/PRECOMPRESSION_SHAPER.html
Print this Page | Comments | Reading(3)
Code: