Published:2009/7/23 23:22:00 Author:Jessie | From:SeekIC

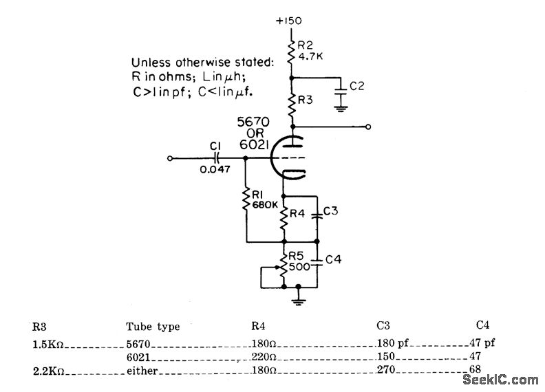
Designed to amplify 1-v signal, such as output of mixer or cathode follower, to level required for input to video driver. Amplification of 3 to 5 may be increased by cascading. Use of R5 and C4 is optional.-NBS, Handbook Preferred Circuits Navy Aeronautical Electronic Equipment, Vol. I, Electron Tube Circuits, 1963, PC 26, p 26-2.
Reprinted Url Of This Article:
http://www.seekic.com/circuit_diagram/Electrical_Equipment_Circuit/PREFERRED_INTERMEDIATE_LEVEL_AMPLIFIER_1.html
Print this Page | Comments | Reading(3)
Code: