Published:2009/6/17 3:09:00 Author:May | From:SeekIC


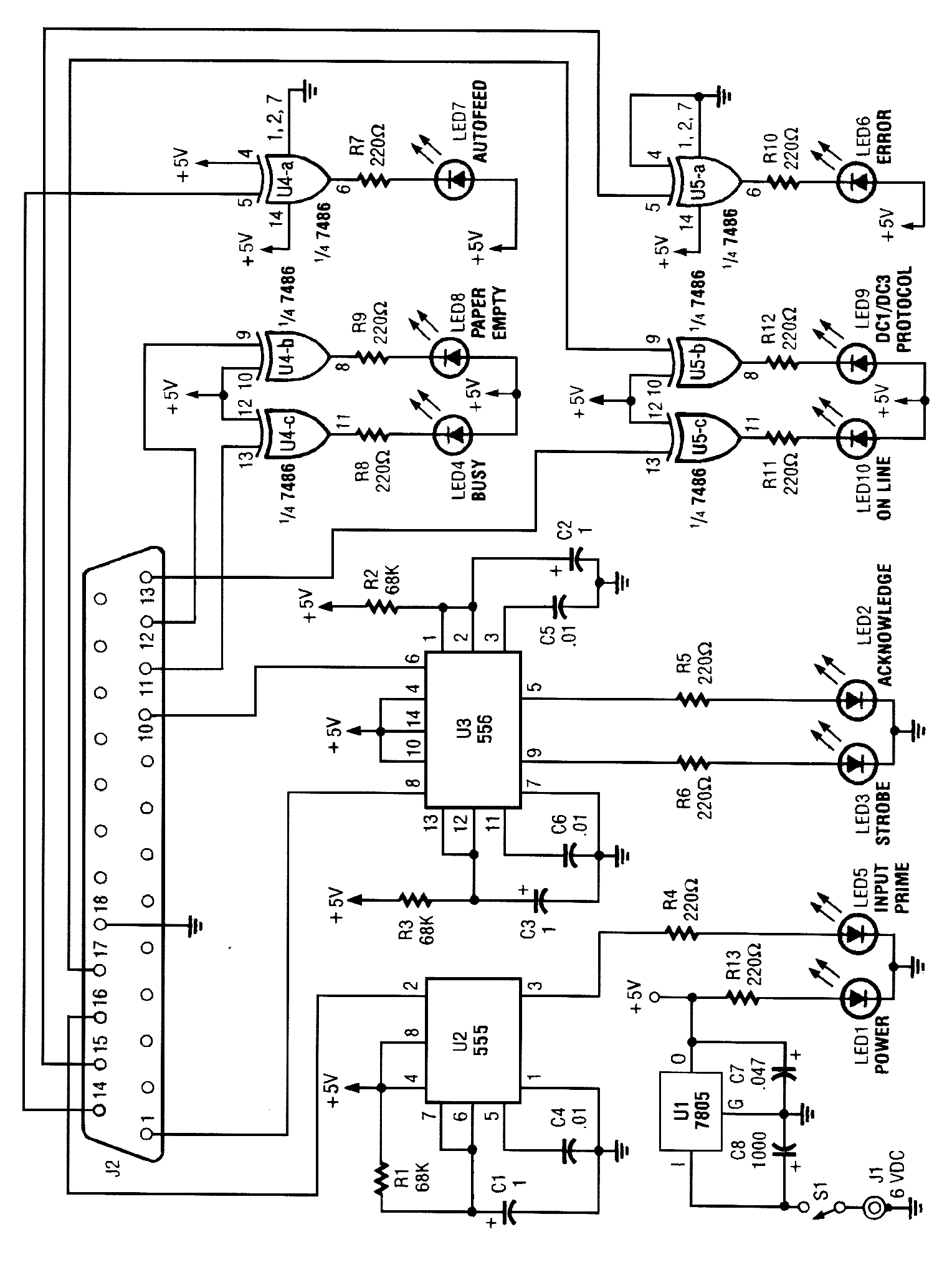
Handy for monitoring printers, this circuit displays all the signals on a parallel link. It monitors the status of the lines, enabling remote monitoring of the operation of a printer, and it also gives an indication of troubles (paper empty, busy, etc.).
Reprinted Url Of This Article:
http://www.seekic.com/circuit_diagram/Electrical_Equipment_Circuit/PRINTER_SENTRY.html
Print this Page | Comments | Reading(3)
Code: