Published:2009/7/21 21:06:00 Author:Jessie | From:SeekIC

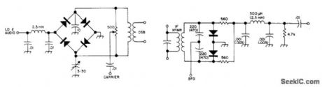
Developed for use in SSB receiver having 9-MHz IF amplifier. Values in parentheses are for receiver having 455-kHz IF amplifier. Diode types are not critical.-Circuits, 73Magazine, May 1973, p 105.
Reprinted Url Of This Article:
http://www.seekic.com/circuit_diagram/Electrical_Equipment_Circuit/PRODUCT_DETECTOR.html
Print this Page | Comments | Reading(3)
Code: