Published:2009/7/24 2:27:00 Author:Jessie | From:SeekIC

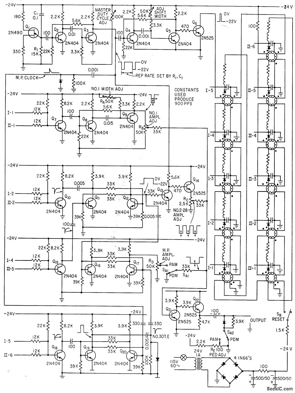
Used for checking telemetry ground station equipment without wearing out commutator of telemeter. Magnetic shift register elements are used as ring counters.-J. Porter, Pulse Commutator Simulator Uses Magnetic Logic elements, Electronics, 34:12, p 43-45.
Reprinted Url Of This Article:
http://www.seekic.com/circuit_diagram/Electrical_Equipment_Circuit/PULSE_COMMUTATOR_SIMULATOR.html
Print this Page | Comments | Reading(3)
Code: