Published:2009/7/23 22:04:00 Author:Jessie | From:SeekIC

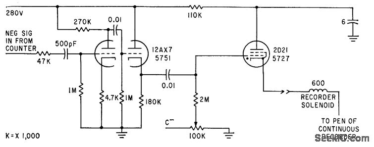
Amplifier and thyratron trigger feed pulse to solenoid pen of recorder, to record time of end of counting period, corresponding to instant at which counter delivers negative pulse.-C. F. Miller, New Phototransistor Tachometers Measure Missile Spin, Electronics, 35:25, p 33-35.
Reprinted Url Of This Article:
http://www.seekic.com/circuit_diagram/Electrical_Equipment_Circuit/PULSE_COUNT_SAMPLE_TIME_RECORDER.html
Print this Page | Comments | Reading(3)
Code: