Published:2009/7/23 23:13:00 Author:Jessie | From:SeekIC

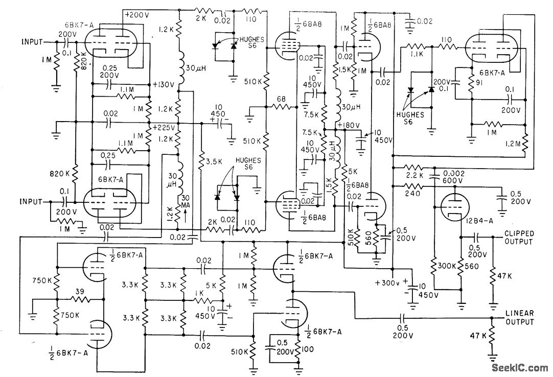
Accepts balanced output of video preamp in microwave interferometer system and provides both linear and clipped outputs for oscilloscope.-H. L. Bunn Determining Electron Density and Distribution in Plasmas, Electronics, 34:14, p 71-75.
Reprinted Url Of This Article:
http://www.seekic.com/circuit_diagram/Electrical_Equipment_Circuit/PUSH_PULL_CUPPER.html
Print this Page | Comments | Reading(3)
Code: