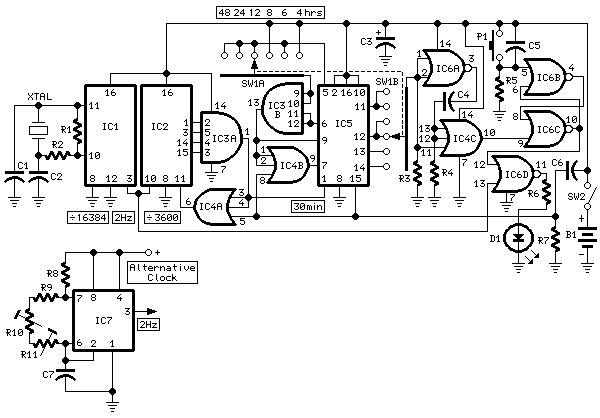
Published:2012/12/21 21:35:00 Author:muriel | Keyword: Pills Reminder | From:SeekIC

Reprinted Url Of This Article:
http://www.seekic.com/circuit_diagram/Electrical_Equipment_Circuit/Pills_Reminder.html
Print this Page | Comments | Reading(3)
Code: