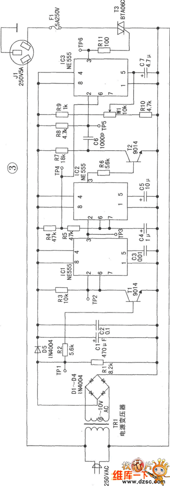
Published:2011/6/12 21:37:00 Author:chopper | Keyword: Silicon Control, Zero Passage Trigger | From:SeekIC


Reprinted Url Of This Article:
http://www.seekic.com/circuit_diagram/Electrical_Equipment_Circuit/Principle_of_Silicon_Control_Zero_Passage_Trigger_Circuit.html
Print this Page | Comments | Reading(3)
Code: